Digital Infrared - Pyrometer Series KTRD 1000 - KTRD 2000
temperature ranges -20 up to 4000°C (-4 - 7232°F)
serial interface, light beam aiming device, vario-objective, fiber optic cable
- Vario-objective (vario-focus objective)
- series 14XX with fiber optic cable and objective
- light beam aiming device with green LED for target marking
- emissivity resp. emissivity slope adjustable at the unit
- analog- and digital output (serial interface)
- 1 limit output (open collector)
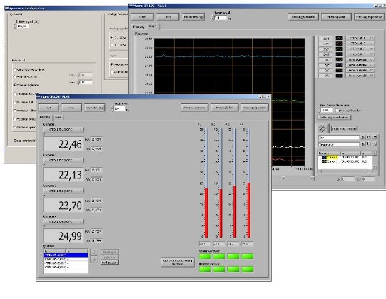
- software IR-LOG
|
Infrared - pyrometer
 | unit type | meas. range | WL | application |
| KTRD 1105 |
-20-1000°C (-4-1832°F) |
8-14μm |
ceramics, rubber, paper, wood, food, asphalt, plastics, lacquering drying, drying process |
| KTRD 1550 |
100-2500°C (212-4532°F) |
5,0 μm |
ceramics, glass, flat glass, glass surface, glass drop, hollow glass |
| KTRD 1065 |
100-1400°C (212-2552°F) |
2,1μm |
steel, iron, non-ferrous metal, induction heating, soldering, tempering etc. |
| KTRD 1075 |
250-2500°C (572-4532°F) |
1,45-1,7μm |
steel, iron, non-ferrous metal, wires, ceramic, rolling, induction heating, brazing, etc. |
| KTRD 1085 |
550-4000°C (1022-7232°F) |
0,85-1,1μm |
steel, ceramic, glass feeder, hardening, rolling, induction heating, forging, etc. |
| KTRD 2300 |
50-1000°C (122-1832°F) |
2,3μm |
steel, iron, non-ferrous metal, induction heating, soldering, tempering etc. |
2-color - pyrometer
 | unit type | meas. range | WL | application |
| QKTRD 1075 |
300-1700°C (572-3092°F) |
1,4-1,75μm |
steel, iron, non-ferrous metal, tempering, hardening, induction heating, laser, forging, vacuum furnace, pre-heating, rolling |
| QKTRD 1085 |
600-3300°C (1112-5972°F) |
0,85-1,1μm |
steel, wires, casting, hardening, rolling, induction heating, forging, melting |
Infrared - pyrometer with fiber optic cable
 | unit type | meas. range | WL | application |
| KTRD 1465 |
100-1400°C (212-1472°F) |
2,1μm |
steel, iron, non-ferrous metal, induction heating, soldering, tempering etc. |
| KTRD 1475 |
250-2500°C (572-4532°F) |
1,45-1,7μm |
steel, iron, non-ferrous metal, wires, ceramic, rolling, induction heating, brazing, etc. |
| KTRD 1485 |
550-4000°C (1022-7232°F) |
0,85-1,1μm |
steel, ceramic, glass feeder, hardening, rolling, induction heating, forging, etc. |
2-color - pyrometer with fiber optic cable
 | unit type | meas. range | WL | application |
| QKTRD 1475 |
300-1700°C (572-3092°F) |
1,4-1,75μm |
steel, iron, non-ferrous metal, tempering, hardening, induction heating, laser, forging, vacuum-furnace, pre-heating, rolling |
| QKTRD 1485 |
600-3300°C (1112-5972°F) |
0,85-1,1μm |
steel, wires, casting, hardening, rolling, induction heating, forging, melting |
 | Software Maurer IR-LOG |
for data recording and storaging, graphical recording, indication, export-functions parameter functions of the pyrometer: analog output: 0 - 20 / 4 - 20 mA change-over, zoom range within measuring range, emissivity: 100,00 - 10,00 % resp. emission slope 0,8-1,2 light beam "on - off" average: arithmetical or sliding maximum value storage: storage modes and erase functions par ex.automatically with next measuring object |
|